VOGONS


Covox speech thingy!!!

Topic actions

Reply 20 of 64, by RacoonRider

User metadata
Rank Oldbie
Rank
Oldbie

snorg, not exactly. There's a short list of games to support it, but with special TSR it can work with sound blaster compatible games, never tested that though. There's also a driver for windows 3.1, 95, 98.

I did not play mp3 sound, it's mod sound. Entirely different filetype. And yes, it did load my DX2-66 CPU a lot.

Reply 21 of 64, by RacoonRider

User metadata
Rank Oldbie
Rank
Oldbie

I've found this awesome covox compatibility list! http://www.mobygames.com/attribute/sheet/attr … et,0/p,2/so,0a/
Once I have more spare time, I'll test every game from it I can find on the web.

This would probably result in a good addition for the wiki, the how-to guide with schematics by Stojke, the recordings of some really good tracker music including sources (so far I know only modachive.org), the list of compatible software and games. I'm looking forward to it so much!

Reply 22 of 64, by elianda

User metadata
Rank l33t
Rank
l33t

Yes but this list is not accurate as it mixes Covox Speech Thing games with games that are only compatible with f.e. Covox SM2.

Retronn.de - Vintage Hardware Gallery, Drivers, Guides, Videos. Now with file search
Youtube Channel
FTP Server - Driver Archive and more
DVI2PCIe alignment and 2D image quality measurement tool

Reply 23 of 64, by RacoonRider

User metadata
Rank Oldbie
Rank
Oldbie

So I consulted with a few friends (two of them are very good electrical engineers) and here's what I found out:

The noise in covox comes from +5V on the mainboard, where almost everything receives power, including the LPT.

The ways to compensate this are to add capacitors (changes the sound as well) or to draw power elsewhere. The second choice is better, that's where chip DACs come to play.

So basically, as long as you pick the right resistors, you get the most 'righteous' sound, you can add capacitors to make it sound smoother but less original, or you can use chips with external power to make most noise go away. Getting a better PSU and motherboard/controller might fix the problem if the noise is too loud.

P.S. elianda, thank you for your remark, I'll test the sound before listing anything on the wiki to confirm.

Reply 24 of 64, by dr.zeissler

User metadata
Rank l33t
Rank
l33t

Any idea why the covox only works in dos and not with win98se.

Retro-Gamer 😀PowerMac 6100-66/Houdini 486/66 - G4 Cube 450/Rage128pro OS9.0.1 - Macintosh LC/Apple IIe Card OS6.0.8 - Acorn A4000 Archimedes - Unisys CWD 486/66 + Aztech Washington

Reply 25 of 64, by Jo22

User metadata
Rank l33t++
Rank
l33t++

Um, what problems do you have ? And which driver do you use ? Afaik, the Windows driver from Covox was meant for Win 3.x.
So does it work there, at least ? - I haven't tried so far and my 286 can't load .386 files either..
In case you haven't tried both versions, here you go! 😀

Attachments

  • Filename
    covox.zip
    File size
    6.85 KiB
    Downloads
    47 downloads
    File comment
    Covox Speech Thing Driver for Windows 3.1 and Multimedia Windows
    File license
    Fair use/fair dealing exception
  • Filename
    covoxwin.zip
    File size
    75.1 KiB
    Downloads
    55 downloads
    File comment
    Covox drivers for Windows
    File license
    Fair use/fair dealing exception

"Time, it seems, doesn't flow. For some it's fast, for some it's slow.
In what to one race is no time at all, another race can rise and fall..." - The Minstrel

//My video channel//

Reply 26 of 64, by dr.zeissler

User metadata
Rank l33t
Rank
l33t

I have a nx6125 with a dockingstation that offers an lpt1 port. I can config this port from standard, to bidirectional, epp, ecp.
With Win98 I cannot play music through the covox. Going back to MS-Dos mode it works without problems.

Retro-Gamer 😀PowerMac 6100-66/Houdini 486/66 - G4 Cube 450/Rage128pro OS9.0.1 - Macintosh LC/Apple IIe Card OS6.0.8 - Acorn A4000 Archimedes - Unisys CWD 486/66 + Aztech Washington

Reply 27 of 64, by Jo22

User metadata
Rank l33t++
Rank
l33t++

Hi Doc, try to disable PnP for printers in the LPT dialog (device manager).
Covox plug uses SPP (standard printer port).

"Time, it seems, doesn't flow. For some it's fast, for some it's slow.
In what to one race is no time at all, another race can rise and fall..." - The Minstrel

//My video channel//

Reply 28 of 64, by dr.zeissler

User metadata
Rank l33t
Rank
l33t

Does not help 🙁

Retro-Gamer 😀PowerMac 6100-66/Houdini 486/66 - G4 Cube 450/Rage128pro OS9.0.1 - Macintosh LC/Apple IIe Card OS6.0.8 - Acorn A4000 Archimedes - Unisys CWD 486/66 + Aztech Washington

Reply 29 of 64, by Jo22

User metadata
Rank l33t++
Rank
l33t++

Sorry. Is the music player for DOS ?

"Time, it seems, doesn't flow. For some it's fast, for some it's slow.
In what to one race is no time at all, another race can rise and fall..." - The Minstrel

//My video channel//

Reply 30 of 64, by dr.zeissler

User metadata
Rank l33t
Rank
l33t

Yes. GLX and iPlay.

Retro-Gamer 😀PowerMac 6100-66/Houdini 486/66 - G4 Cube 450/Rage128pro OS9.0.1 - Macintosh LC/Apple IIe Card OS6.0.8 - Acorn A4000 Archimedes - Unisys CWD 486/66 + Aztech Washington

Reply 31 of 64, by Jo22

User metadata
Rank l33t++
Rank
l33t++

I see. That's a bit tricky then. Perhaps it is interrupt driven/relies on exact timing.
Try to edit the PIF file for your player (has MSDOS icon) and change the "timer emulation" setting.
Maybe that helps, dunno.

"Time, it seems, doesn't flow. For some it's fast, for some it's slow.
In what to one race is no time at all, another race can rise and fall..." - The Minstrel

//My video channel//

Reply 32 of 64, by dr.zeissler

User metadata
Rank l33t
Rank
l33t

No, does not help. So I need to go for the MSDOS Mode in Order to get Sound/Music from the Covox.

Retro-Gamer 😀PowerMac 6100-66/Houdini 486/66 - G4 Cube 450/Rage128pro OS9.0.1 - Macintosh LC/Apple IIe Card OS6.0.8 - Acorn A4000 Archimedes - Unisys CWD 486/66 + Aztech Washington

Reply 33 of 64, by squareguy

User metadata
Rank Oldbie
Rank
Oldbie

That is one of the coolest things I have seen in a long while. I was really surprised by the sound!

Gateway 2000 Case and 200-Watt PSU
Intel SE440BX-2 Motherboard
Intel Pentium III 450 CPU
Micron 384MB SDRAM (3x128)
Compaq Voodoo3 3500 TV Graphics Card
Turtle Beach Santa Cruz Sound Card
Western Digital 7200-RPM, 8MB-Cache, 160GB Hard Drive
Windows 98 SE

Reply 34 of 64, by snorg

User metadata
Rank Oldbie
Rank
Oldbie

I'm thinking about ordering the parts for making one of these, I figure with a LPT cable and enclosure plus all resistors and misc bits the parts list will come in at around $30 US. If that seems like a lot, I would be ordering enough resistors to make a couple of these.

What wattage should the resistors be? 1/4 watt? 1 watt? Does it matter, as long as they're all the same value? Is there any benefit to going with a tighter tolerance than 1%? I can get about 500 for $9 on Digikey, that may be overkill though, maybe 250 is more than enough? Hell, even 100 is probably more than enough of each value. They are just much cheaper when you buy them in bulk.

Reply 35 of 64, by squareguy

User metadata
Rank Oldbie
Rank
Oldbie

Found this https://www.youtube.com/watch?v=spOenlrSSOE

It was a good bit of information for me since I know nothing about it. Maybe others will find it useful.

Gateway 2000 Case and 200-Watt PSU
Intel SE440BX-2 Motherboard
Intel Pentium III 450 CPU
Micron 384MB SDRAM (3x128)
Compaq Voodoo3 3500 TV Graphics Card
Turtle Beach Santa Cruz Sound Card
Western Digital 7200-RPM, 8MB-Cache, 160GB Hard Drive
Windows 98 SE

Reply 36 of 64, by Jo22

User metadata
Rank l33t++
Rank
l33t++
dr.zeissler wrote:

No, does not help. So I need to go for the MSDOS Mode in Order to get Sound/Music from the Covox.

Doc, does the problem also appear in full screen ? I know from a personal experience that windowed DOS programs have their timing messed-up at times.
Since they are text mode apps (are they ?) they are displayed in a window by default..

@snorg 1/4 is fine. 1/8 should also do the job, the signals aren't that strong.
Any resistor type works. Tighter tolerance is better of couse, as it resulsts in cleaner sound.
I tried the first scheme with the caps, btw. The 10uF cap (vs 100nF) is also a good idea, since it has a bit of a low-pass effect (->harmonics).

If you want to "upgrade" later on, you can also make a covox plug with an real DAC (8bit type) or a Stereo-Covox. ^^

@squareguy Thanks for the link!

Last edited by Jo22 on 2016-10-30, 19:38. Edited 1 time in total.

"Time, it seems, doesn't flow. For some it's fast, for some it's slow.
In what to one race is no time at all, another race can rise and fall..." - The Minstrel

//My video channel//

Reply 37 of 64, by dr.zeissler

User metadata
Rank l33t
Rank
l33t

It does not depend on Fullscreen/Window. GLX and iPlay are Textmode, Games do not work either, but that's due to the Game, not the fault of the Dac.
Pinball Dreams simply does not work in Win9x Doswindow/Fullscreen.

Retro-Gamer 😀PowerMac 6100-66/Houdini 486/66 - G4 Cube 450/Rage128pro OS9.0.1 - Macintosh LC/Apple IIe Card OS6.0.8 - Acorn A4000 Archimedes - Unisys CWD 486/66 + Aztech Washington

Reply 38 of 64, by Jo22

User metadata
Rank l33t++
Rank
l33t++
dr.zeissler wrote:

It does not depend on Fullscreen/Window. GLX and iPlay are Textmode, Games do not work either, but that's due to the Game, not the fault of the Dac.
Pinball Dreams simply does not work in Win9x Doswindow/Fullscreen.

I didn't say that, if you hear audio then your DAC is perfectly fine. 😀
Any chance your players try to use DMA transfer ? I used ModPlay Pro, so I'm not used to yours.
But if so, try to use normal non-DMA mode (perhaps there are command line parameters for this ?)
Another idea is that for some odd reason I can't think of, your parallel port is on a non-standard address in Win9x.
LPT 1 should be on 378H (?)

"Time, it seems, doesn't flow. For some it's fast, for some it's slow.
In what to one race is no time at all, another race can rise and fall..." - The Minstrel

//My video channel//

Reply 39 of 64, by Jo22

User metadata
Rank l33t++
Rank
l33t++

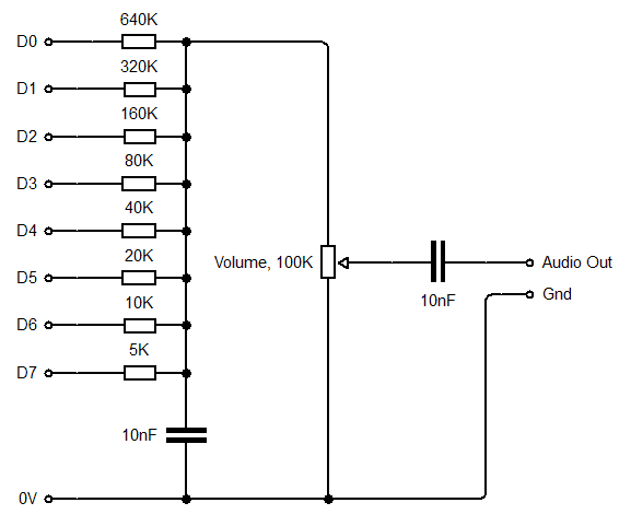
Hello, I've found another schematic. This one is simpler to wire and needs less space (improvise R values if needed).
The potentiometer is for volume control and optional. It is close to Stojke's last but one scheme on page 1.

covox-clone.gif
Filename
covox-clone.gif
File size
5.33 KiB
Views
585 views
File license
Fair use/fair dealing exception

"Time, it seems, doesn't flow. For some it's fast, for some it's slow.
In what to one race is no time at all, another race can rise and fall..." - The Minstrel

//My video channel//