VOGONS


Reply 420 of 1228, by HunterZ

User metadata
Rank l33t++
Rank
l33t++

So I should reduce *both* line-in and synth volume, or is it just enough to reduce synth volume to where I don't see much peaking? I'm not sure adjusting line-in on the computer really buys anything in the first place.

What does "lower quarter" mean? Synth volume should be 0-25%?

Oh wow, the knobs work totally different between the MT-32 (Old) and CM-64: MT-32 requires the knob at around 23 to avoid clipping, while the CM-64 does fine at around 80%. Also, starting the MT-32 at 100% volume and going down resulted in a note stuck on full volume.

I suspect the MT-32 volume knob is basically a SysEx knob while the CM-64 may be more of a amplifier pot? (Edit: Cloudschatze provides an explanation below I guess)

Anyway, here are CM-64 recordings with synth volume around 80% and MT-32 Old recordings with synth volume at 23%. Computer line-in is at 100%. Audacity doesn't find any clipping.

Attachments

  • Filename
    MT-32_Old.zip
    File size
    9 MiB
    Downloads
    24 downloads
    File license
    Fair use/fair dealing exception
  • Filename
    CM-64_2.zip
    File size
    10.14 MiB
    Downloads
    30 downloads
    File license
    Fair use/fair dealing exception

Reply 421 of 1228, by Cloudschatze

User metadata
Rank Oldbie
Rank
Oldbie
James-F wrote:

The volume control on the MT-32 unit is a VCA...

For what it's worth, this is only true of the v2.0x MT-32.

The v1.0x MT-32 volume control is completely digital (at the LA32 level), lacking VCA, and with fixed analog amplification. As a result, there's an ever-present level of amplifier hiss, irrespective of any possible volume settings.

The relevant QuestStudios post is long gone, but I believe we'd determined that the v2.0x MT-32 volume control is something a hybrid, where it remains completely digital up to a setting of ~70, but beyond which the PWM signal provided to the analog VCA section becomes variable.

Reply 422 of 1228, by James-F

User metadata
Rank Oldbie
Rank
Oldbie

Thanks HunterZ!

HunterZ wrote:

So I should reduce *both* line-in and synth volume, or is it just enough to reduce synth volume to where I don't see much peaking? I'm not sure adjusting line-in on the computer really buys anything in the first place.

The new wave files are very loud indeed, at the edge of digital clipping -0.1dbFS.
So yet, lower the line-in till the the digital signal peaks are around -3dbFS or even -6dbFS, -0.1dbFS is already clipping.

HunterZ wrote:

What does "lower quarter" mean? Synth volume should be 0-25%?

You mean the MT-32/CM-64 volume knob rotates 360 without stoppers?
Then yes, 0-25%.

Oh wow, the knobs work totally different between the MT-32 (Old) and CM-64: MT-32 requires the knob at around 23 to avoid clipping, while the CM-64 does fine at around 80%.

Aren't the test MIDI resets the volume by SysEx? They should be 100% after a reset like MUNT, no?

Also, starting the MT-32 at 100% volume and going down resulted in a note stuck on full volume.

As Cloudschatze pointed ver 1.x has the volume completely digital before the DAC and probably changes the patch/timbre volumes so there is no clipping.
Bat apparently there is a CPU bug when lowering the patch volume while playing a lot of notes.

Anyway, here are CM-64 recordings with synth volume around 80% and MT-32 Old recordings with synth volume at 23%. Computer line-in is at 100%. Audacity doesn't find any clipping.

Thanks!
But yet again the WAV's are very loud and reach -0.1db on both headroom tests.
You can lower the line-in level to 50, even if the peaks in audacity are at -6db, I can normalize the WAVs in my DAW when I analyze them but the source WAV should not reach -0.1 in any case.

Can you please record the CM-64 at 25% and 100% synth volume to confirm that it is indeed all digital before 70% as Cloudschatze said?
Also, Please record the MT-32 at 100%.
Hope I'm not asking to much for the third time.. this time please make sure the peaks are around -3db.


my important / useful posts are here

Reply 423 of 1228, by James-F

User metadata
Rank Oldbie
Rank
Oldbie

@Falcosoft

From what I can hear and see MT-32 VSTi in HQ and 50% is exactly the same as MUNT in HQ 50% gains (default).
Simple confusion was that the VST defaults at 100% whether MUNT defaults at 50%.
But, Pure DAC with 100% gains in the VST sounds cleaner than HQ DAC with 50% gains in MUNT even though they have the same reference volume with these settings.
So if you ask me, 'pure' should be the default with 100% gains like in the VST.

The recordings provided by HunterZ show that CM-64 at volume 80 (or MT-32 Ver 2.x) has -19db between the reference tone and clipping, and Munt at volume 100 and 50% gains (default) has -18.1db.
So there emulation is very accurate indeed.

What I don't understand is why Munt uses HQ with 50% gains as default, instead Pure and 100% gains?
PS. sergm replied to you at the MT-32 Dev thread.


my important / useful posts are here

Reply 424 of 1228, by Falcosoft

User metadata
Rank Oldbie
Rank
Oldbie

Hi James,
I had thought this exactly until I checked Munt's source ( more precisely the qt client's source).
The gain/reverb gain slider control is 0 - 400% (!) and the default is 100%. The volume level difference comes from the fact that the Munt driver uses 16 bit output (uses the equivalent of mt32emu_render_bit16s instead of mt32emu_render_float). So in addition to your confusion I do not understand why the float samples (not the floating point rendering path!) given by Munt has doubled volume level compared to the integer ones. Is this a bug or some kind of optimization? The anwer is still not clear for me.
Ps:
I have tried, and if I use mt32emu_render_bit16s in MuntVsti and make the integer -> floating point conversion in my code (multiplying by constant 1/32768) then I get the same half volume result as the driver.

Edit:
Thanks everyone for the help!

Website, Facebook, Youtube
Falcosoft Midi Player + Munt VSTi + BassMidi VSTi topic

Reply 425 of 1228, by Cloudschatze

User metadata
Rank Oldbie
Rank
Oldbie
James-F wrote:

The recordings provided by HunterZ show that CM-64 at volume 80 (or MT-32 Ver 2.x)...

These results probably aren't applicable to the v2.0x MT-32, as the physical volume control for the CM-32/64 is strictly analog.

Reply 426 of 1228, by James-F

User metadata
Rank Oldbie
Rank
Oldbie

@Falco
If it behaves and sounds the same, I don't see a real problem.
Just use Pure 100 gains as default in VST, and be done with it.

@Cloudschatze
Are you sure?
The CM-64 schematic shows the exact same VCA configuration as the MT-32 v2.


my important / useful posts are here

Reply 427 of 1228, by Falcosoft

User metadata
Rank Oldbie
Rank
Oldbie

Hi,
Serg gave a very thoughtful answer to our question:
Re: Munt Reloaded - Development

Website, Facebook, Youtube
Falcosoft Midi Player + Munt VSTi + BassMidi VSTi topic

Reply 428 of 1228, by Cloudschatze

User metadata
Rank Oldbie
Rank
Oldbie
James-F wrote:

Are you sure?
The CM-64 schematic shows the exact same VCA configuration as the MT-32 v2.

I don't have the CM-64 service notes in front of me, but from recollection, the output from the CM-32L board is sent to the CM-32P board and mixed prior to the analog volume knob phase. This isn't at all the same as the v2.0x MT-32 configuration, as neither the CM-64, nor CM-32L, provide a similar mechanism for VCA control through their volume knob.

Reply 429 of 1228, by HunterZ

User metadata
Rank l33t++
Rank
l33t++
James-F wrote:

The new wave files are very loud indeed, at the edge of digital clipping -0.1dbFS.
So yet, lower the line-in till the the digital signal peaks are around -3dbFS or even -6dbFS, -0.1dbFS is already clipping.

I assume by line-in you mean the synthesizer volume knob and not the line-in slider on my computer, as the latter would surely only scale the amplitude after the sound already got clipped by the ADC in my computer?

James-F wrote:

You mean the MT-32/CM-64 volume knob rotates 360 without stoppers?
Then yes, 0-25%.

No, they both rotate about 150 degrees in each direction from the mid-point.

I just realized that there's another factor: I'm running their outputs through my SC-88's line-in, and I have its line-in knob set to about 80% because I get a lot of clipping otherwise. I might try setting up a switching solution so that I can bypass the SC-88 before I try recording again.

James-F wrote:

Aren't the test MIDI resets the volume by SysEx? They should be 100% after a reset like MUNT, no?

Hmm. You can see from the recordings that the CM-64 recording had a longer delay at the beginning before the sound started. I wonder if FSMP skipped the SysEx for the MT-32 for some reason?

James-F wrote:

You can lower the line-in level to 50, even if the peaks in audacity are at -6db, I can normalize the WAVs in my DAW when I analyze them but the source WAV should not reach -0.1 in any case.

I am skeptical about lowering the computer's line-in, but maybe taking the SC-88 out of the path will help. I will do that and then re-adjust the synth volume knobs to peak between -6dB and -3dB instead of trying to get as close as I can to the top without obvious clipping.

James-F wrote:

Can you please record the CM-64 at 25% and 100% synth volume to confirm that it is indeed all digital before 70% as Cloudschatze said?
OK. Per Cloudschatze's most recent post, however, it sounds like the CM-64 is even different from the MT-32 New due to having CM-32L & CM-32P boards chained together internally.

James-F wrote:

Also, Please record the MT-32 at 100%.
Hope I'm not asking to much for the third time.. this time please make sure the peaks are around -3db.

It may take some time but I'm happy to help.

Reply 430 of 1228, by Falcosoft

User metadata
Rank Oldbie
Rank
Oldbie

Hmm. You can see from the recordings that the CM-64 recording had a longer delay at the beginning before the sound started. I wonder if FSMP skipped the SysEx for the MT-32 for some reason?

The MT-32 midi test files provided by James contain a reset SysEx message. The only way FSMP would skip this if you have disabled 'SysEx Options -> Enable SysEx in Files'.
The delay defined in the files between the reset SysEx (delta time 0) and the first note on message is only 0.66 sec. FSMP never modifies this. So any further delay you have experienced is device specific (maybe slower initialization).

Website, Facebook, Youtube
Falcosoft Midi Player + Munt VSTi + BassMidi VSTi topic

Reply 431 of 1228, by HunterZ

User metadata
Rank l33t++
Rank
l33t++

OK, here are new recordings. I hope you don't mind that I compressed them losslessly with FLAC to cut the size by about half.

My new setup has the synths going into an old JVC hi-fi with no speakers connected, and one of the many line-level recording outputs going to my computer's line-in. This allows me to switch between an LA synth and my SC-88 instead of having to daisy-chain them via the SC-88's line-in.

I've provided the following recordings:

  • MT-32 Old @ 100% volume
  • MT-32 Old @ 10% volume, which yielded a high water mark of around -4dB
  • CM-64 @ 100% volume
  • CM-64 @ ~50% volume, which yielded a high water mark of just under -3dB

Computer line-in level was kept at 100%, because I wanted to hear first if taking the SC-88 out of the loop and setting the synthesizer volumes to peak under -3dB yields the desired results.

Attachments

  • Filename
    Round 2.zip
    File size
    21.52 MiB
    Downloads
    22 downloads
    File license
    Fair use/fair dealing exception

Reply 432 of 1228, by James-F

User metadata
Rank Oldbie
Rank
Oldbie

@HunterZ
Thank you again.
All the Round 2 recordings at 100% synth volume are completely distorted at the input of your sound card !! 😵
I don't understand HunterZ, don't you look at the input meters? The 100% synth volume recordings should peak at -3db, adjust line-in level accordingly.

distort.jpg
Filename
distort.jpg
File size
83.02 KiB
Views
489 views
File license
Fair use/fair dealing exception

The lower synth volume recordings are perfectly fine, and as Cloudschatze said there is indeed some attenuation before the DAC on the CM-64, so it is hybrid between Digital and VCAs.
But the default in MUNT is 100% and it returns to it after a SysEx reset, so un-distorted hardware recordings with 100% synth volume are more important here.

I'm running their outputs through my SC-88's line-in

synths going into an old JVC hi-fi

Oh.. that may drastically affect the recordings.

I might have to guide you:

1. The recording chain should be as pure as possible: MT-32-> Line-In
NOTHING should be between the MT32 and the recording Line-In, because every analog input and output has its own input and output amplifiers... you are basically adding more amplifiers that may clip.
2. Up till now you are clipping the recording input of your sound card again and again. 😐
PLEASE lower the line-in of your recording sound card;; 100% synth volume should peak at -6db in Audacity, please lower your line-in levels.
I repeat, NOTHING should reach 0.0db digital full scale when recording.

Make sure that the Input Meter in Audacity does NOT reach the Red area when the CM-64 is at 100% volume.
Adjust your line-in levels till the input meter is around the -6db, with the CM-64 playing the headroom.mid at 100% synth volume.
The blue line indicated the peaks, so the blue line should not reach 0.0db EVER in the digital domain.
Don't be shy of low volume in the digital domain, low volume equals to headroom, you can always boost or normalize it later but clipped data is lost forever.

Audacity meter.jpg
Filename
Audacity meter.jpg
File size
112.75 KiB
Views
489 views
File license
Fair use/fair dealing exception
HunterZ wrote:

I am skeptical about lowering the computer's line-in.

😐 Why?
I have done MANY recordings throughout the years ranging from professional audio equipment to el'cheapo motherboard sound cards.
Proper Input level (input gain) adjustment is critically important with any audio recording equipment, and also impedance matching.

Please don't be skeptical, do lower it till there is no clipping at the input of your sound card with MT-32 100% synth volume.
This is not an option, you HAVE to lower the input gain of your sound card to not clip it.
I am very repetitive in this post, because all three recordings you have uploaded till now are clipped.
I don't want to sound like an ingrate, but this is important that the MT-32 is properly recorded at 100% synth volume for the recordings to have any meaningful analysis value.
Your prize will be that you will learn to do a proper recording...eventually. 😀
And we will learn the behavior of the MT-32 units to fine tune MUNT.

Last edited by James-F on 2017-05-26, 04:11. Edited 3 times in total.


my important / useful posts are here

Reply 433 of 1228, by James-F

User metadata
Rank Oldbie
Rank
Oldbie

Double post, but it deserves it's own post.

HunterZ wrote:

Hmm. You can see from the recordings that the CM-64 recording had a longer delay at the beginning before the sound started. I wonder if FSMP skipped the SysEx for the MT-32 for some reason?

So, do the HW units return to 100% synth volume when the Reset SysEx is sent?
MUNT does...

The MIDs I've created have plenty of time between SysEx messages so there shouldn't be a problem with the older MT-32 hardware.


my important / useful posts are here

Reply 434 of 1228, by HunterZ

User metadata
Rank l33t++
Rank
l33t++

Unfortunately the hi-fi is the best I can do for now, because I don't have any other way to connect the stupid dual-mono female 1/4"/7mm/phono jacks of my LA synthesizers to the stereo female 1/8"/3.5mm/headphone-style line-in jack of my computer. While the SC-88 really was a potential issue because it had a level adjustment on its line-in, the hi-fi does not significantly concern me for the following reasons:

  1. The output I am using is basically a pass-through that is meant for recording the selected input to a cassette tape or whatever.
  2. There isn't a level adjustment or any other processing in the path I am using, as far as I can tell.
  3. I ran with the main hi-fi volume set to zero, speaker amp disabled, DSP disabled, EQ set to perfectly flat, etc. just to be paranoid.
  4. It's a high-end hi-fi (for its time) that was purchased by my wife, who among other things has professional audio design knowledge/experience 😀

ANYWAYS, on to the computer line-in: What you're suggesting is that the synthesizers are putting out signal levels that are too hot, and that I should be mucking with the line-in level on my computer to try to compensate. I will try this, but don't get your hopes up too high: my suspicion is that the line-in signal will go through the ADC at full volume, and *then* get scaled in the digital domain by the sound driver according to the line-in level setting. This would actually produce an even worse result than my previous recordings because you'd just be throwing away dynamic range without eliminating clipping. Maybe I should have kept things going through the SC-88 after all, and then used its line-in level pot to attenuate the LA synthesizer output levels before they reach the ADC of my computer.

I really need an analog mixer that can mix at least 2-3 stereo inputs.

Volume on reset: Looking at the Round 2 recordings in Audacity, they all have a consistent delay at the beginning. I think the longer delay I saw in one of my earlier recordings was some kind of fluke. I don't believe that the headroom .MID resets the master volume on my MT-32, and I'm not sure that's even a possibility at all on the CM-64. I'm not sending any other resets, because it's easier to just power cycle the synth.

Reply 435 of 1228, by HunterZ

User metadata
Rank l33t++
Rank
l33t++

Follow-up: Here are the recordings.

Attachments

  • Filename
    Round 3.zip
    File size
    10.08 MiB
    Downloads
    20 downloads
    File license
    Fair use/fair dealing exception

Reply 436 of 1228, by James-F

User metadata
Rank Oldbie
Rank
Oldbie
HunterZ wrote:

ANYWAYS, on to the computer line-in: What you're suggesting is that the synthesizers are putting out signal levels that are too hot, and that I should be mucking with the line-in level on my computer to try to compensate.

So you do understand some audio jargon, good.
The line input op-amp rail voltage is at least +-5V so it has plenty of voltage headroom in its analog path before actually clipping the ADC.
If anything, it should be set to ZERO to utilize the maximum input voltage of the line-in.
So yes, lower the line-in to compensate for hot signal levels, this is how it is done.

my suspicion is that the line-in signal will go through the ADC at full volume, and *then* get scaled in the digital domain by the sound driver according to the line-in level setting.

Exactly.
As I mentioned, the analog path before the ADC should have plenty of headroom for anything audio related.

This would actually produce an even worse result than my previous recordings because you'd just be throwing away dynamic range without eliminating clipping.

Ah, this is where you're wrong, and probably the reason you refrained from lowering the line-in level.
On the contrary, hotter signal (voltage) at the input with lower input gain will result in more signal to noise ratio, that's why pro audio uses higher line voltages.

Maybe I should have kept things going through the SC-88 after all

Absolutely NOT.
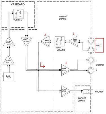
The SC-88 input->output path adds 3 more op-amp to the signal chain, one of them (IC111) is before the SC-88 input trim so it will definitely distort with hot input signal.
The JVC probably adds even more amplifiers and multiplexers, that's why it is important to keep the signal chain minimal, MT-32 -> Line-in.
But as you say the JVC is a pro gear, so it should have plenty of rail voltage at the op-amps.

sc-88 input path.jpg
Filename
sc-88 input path.jpg
File size
112.98 KiB
Views
473 views
File license
Fair use/fair dealing exception

Volume on reset: Looking at the Round 2 recordings in Audacity, they all have a consistent delay at the beginning. I think the longer delay I saw in one of my earlier recordings was some kind of fluke. I don't believe that the headroom .MID resets the master volume on my MT-32, and I'm not sure that's even a possibility at all on the CM-64. I'm not sending any other resets, because it's easier to just power cycle the synth.

Yes, the delay is intentional.
Hmm.. why then MUNT resets the synth volume if it is not the case with the hw?

Last edited by James-F on 2017-05-26, 05:38. Edited 1 time in total.


my important / useful posts are here

Reply 437 of 1228, by Cloudschatze

User metadata
Rank Oldbie
Rank
Oldbie
James-F wrote:

So, do the HW units return to 100% synth volume when the Reset SysEx is sent?
MUNT does...

Concerning actual hardware behavior:

  • The v2.0x MT-32 and CM/LAPC-variants recognize the All Parameter Reset message. The v1.0x MT-32 does not.
  • The All Parameter Reset message does not initialize/modify the Master Volume setting in any unit.
  • In both the v1.0x and v2.0x MT-32, the Master Volume "default" is whatever the encoder position is at power-on.
  • In the CM/LAPC-variants, the Master Volume default is 100 (0x64).

Reply 438 of 1228, by James-F

User metadata
Rank Oldbie
Rank
Oldbie
HunterZ wrote:

Follow-up: Here are the recordings.

MT-32/CM-64 at 100% right?
If so, fantastic, this is how a proper digital recording is done.
Thank you very much!

Now, analysis and comparison time.

Cloudschatze wrote:

Concerning actual hardware behavior:

Excellent, thank you very much!
Vogons is truly lucky that not all QuestStudios information is lost.


my important / useful posts are here

Reply 439 of 1228, by James-F

User metadata
Rank Oldbie
Rank
Oldbie
James-F wrote:

Now, analysis and comparison time.

First, thanks again to HunterZ for providing reference recordings.
From what I hear the DAC options in MUNT produce true-to-hardware harsh digital distortion with Gen1/2 settings, and and the Gains dials produce smoother "analog" (op-amp) type distortion after the DAC like the HW.
HQ and 'Pure' DAC settings do not sound like the hardware and produce smooth distortion at the DAC which definitely sounds better but not true to the hardware.

The CM-64 with 100% volume play the "test tone.MID" at -19dbFS when normalized together with its "Headroom.MID".
The MT-32 ver1 with 100% volume play the "test tone.MID" at -22dbFS when normalized together with its "Headroom.MID".
MUNT at 100% volume play the "test tone.MID" at -18.1dbFS when normalized together with its "Headroom.MID".
So DAC emulation and analog path after it are very accurate in MUNT.

@Falcosoft,
With the current default MT-32 VST settings, where Gains set to 100 using the HQ/Gen1/Gen2 DACs, the result is twice the volume and more distortion in the simulated analog path.
I think you should lower the defaults to 50% like in standalone MUNT, or tweak the code so it matches.
Yes, even though it is actually 0-200% Gains and not 0-400%, maybe it is just a typo in the commentary?

I think the reason for omitting the 'pure' DAC from Munt is because it actually is WAY better than what the real hardware does.
The HW has harsh digital distortion which emulated by Gen1/2 in Munt and HQ DAC is already much nicer sounding than the hardware.
To my ears FSMP sounds exactly like standalone Munt but has the 0-200% vs 0-400% Gains labeling wrong.

Cloudschatze wrote:

The All Parameter Reset message does not initialize/modify the Master Volume setting in any unit.

Well then, there is one thing that Munt does but the hardware doesn't.

In the CM/LAPC-variants, the Master Volume default is 100 (0x64).

Ah, that explains why HunterZ recordings at 50% sound the same as at 100%, the CM-64 volume knob probably wasn't touched after a power-on.
Or maybe at 50% CM-64 did not reach the op-amps headroom and what I'm hearing is only digital DAC distortion, either way the analog distortion is mild compared to the harsh digital distortion.


my important / useful posts are here