Reply 20 of 50, by Eleanor1967
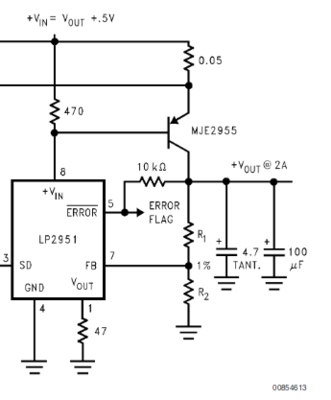
Since neither one of those parts are expensive I just bought the transistors I posted before (I really should read what I buy, they are TIP142, not TIP127 as before. Also they are way bigger.) and a LP2951 chip. I just soldered the new transistor in and I now get the usual 4,9X volts when the board is jumpered for 5V and 4,5x volt when the board is jumpered for 3.3 and 4 which is atleast less than before.
Is this a sign that the transistor was at fault? And that if I would by a TIP127 it should work at 3.3 as it is supposed to? I compared the datasheets but I just don't know if the difference between these transistors can be blamed for the now lower wrong voltage.



