VOGONS


Reply 20 of 50, by feipoa

User metadata
Rank l33t++
Rank
l33t++

I am confused by the question. The layout for the Chaintech 486SPM is different than the MSI MS-4144. I didn't do a write-up for the MS-4144.

Where is r147? Do you have a photo? Which board are you referring to? If you have a photo explaining what you are looking for, I can dig out my MS-4144 board. Didn't another user mod his MS-4144 board that you can contact as well?

Ultimate 486 Benchmark | Ultimate 686 Benchmark | Cyrix 5x86 Enhancements | 486 Overkill Graphics | Worlds Fastest 486

Reply 21 of 50, by Aerion

User metadata
Rank Newbie
Rank
Newbie

Hello,

yes - both boards have a different layout., but your worksheet refers to the MS-4144 (top left corner) or did I misunderstand that?.
The photo shows the position of R147 on MS-4144 Ver. 2.1.
Unfortunately after intensive research I have not found anyone who has already modified this.

Regards

Aerion

Sorry for my english but I live in germany...

Attachments

  • Filename
    MS-4144_PS2_Mouse_Addition.pdf
    File size
    50.41 KiB
    Downloads
    25 downloads
    File license
    Fair use/fair dealing exception
  • PS_2_R147.JPG
    Filename
    PS_2_R147.JPG
    File size
    989.07 KiB
    Views
    719 views
    File license
    Fair use/fair dealing exception

Niemand ist nutzlos, er kann immer noch als schlechtes Beispiel dienen...

Reply 22 of 50, by feipoa

User metadata
Rank l33t++
Rank
l33t++

Oh, I don't even remember submitting my pencil-to-paper worksheet on the MS-4144 ps/2 mouse mod. R147 is a convenient location to connect IRQ12 to the KBC pin 36. You will want to short the R147 pads together with a wire, or use a 0-ohm resistor. I wanted to be more involved on my board, so I soldered in a jumper header at R147. Aside from the R147 short, it looks like you just need two capacitors, and two inductors. I don't recall if any modifications are needed under the KBC socket. I don't think so, but would have to see a photo of your board with the KBC removed to determine that.

Ultimate 486 Benchmark | Ultimate 686 Benchmark | Cyrix 5x86 Enhancements | 486 Overkill Graphics | Worlds Fastest 486

Reply 23 of 50, by Aerion

User metadata
Rank Newbie
Rank
Newbie

I measured the connections (MS-4144_PS_2.txt).
As suggested I will use R147 as solder jumper.
If it doesn't work then I will unsolder the AMIKEY-2 and post a photo.

Attachments

  • Filename
    MS-4144_PS_2.txt
    File size
    438 Bytes
    Downloads
    20 downloads
    File license
    Fair use/fair dealing exception

Niemand ist nutzlos, er kann immer noch als schlechtes Beispiel dienen...

Reply 24 of 50, by feipoa

User metadata
Rank l33t++
Rank
l33t++

OK. It can be a little tricky to get a header on SMD solder pads.

When I look under the KBC on my board, it doesn't look like I removed or soldered on any components.

Ultimate 486 Benchmark | Ultimate 686 Benchmark | Cyrix 5x86 Enhancements | 486 Overkill Graphics | Worlds Fastest 486

Reply 25 of 50, by Aerion

User metadata
Rank Newbie
Rank
Newbie

I still have 2mm jumpers, soldering is not a problem.
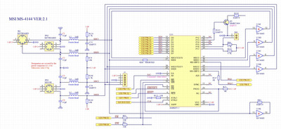
The schematic is so far done.

PS2_SCHEMATIC.jpg
Filename
PS2_SCHEMATIC.jpg
File size
500.15 KiB
Views
384 views
File license
Fair use/fair dealing exception

Thanks again!

Last edited by Aerion on 2020-05-31, 04:43. Edited 14 times in total.

Niemand ist nutzlos, er kann immer noch als schlechtes Beispiel dienen...

Reply 26 of 50, by feipoa

User metadata
Rank l33t++
Rank
l33t++

Do you have a computer case that can accommodate those mini-DINs?

Ultimate 486 Benchmark | Ultimate 686 Benchmark | Cyrix 5x86 Enhancements | 486 Overkill Graphics | Worlds Fastest 486

Reply 27 of 50, by Aerion

User metadata
Rank Newbie
Rank
Newbie

I have some small 19" (2U) cases that I use for this and other projects. These boards are also modified:
- ASUS PCI/I-486SP3G with PS/2 and modified RTC (DS12887A replacement)

ASUS_PCI_I-486SP3G_RTC_NEW_1.JPG
Filename
ASUS_PCI_I-486SP3G_RTC_NEW_1.JPG
File size
1.69 MiB
Views
677 views
File license
Fair use/fair dealing exception
ASUS_PCI_I-486SP3G_RTC_NEW_2.JPG
Filename
ASUS_PCI_I-486SP3G_RTC_NEW_2.JPG
File size
1.55 MiB
Views
579 views
File license
Fair use/fair dealing exception

- ELITEGROUP UM8810P-AIO with PS/2, self designed and built VR module and RTC (VR-102 & DS12887A replacement)

VR-102_NEW.jpg
Filename
VR-102_NEW.jpg
File size
1.74 MiB
Views
677 views
File license
Fair use/fair dealing exception
UM8810P-AIO_PS2.JPG
Filename
UM8810P-AIO_PS2.JPG
File size
1.21 MiB
Views
573 views
File license
Fair use/fair dealing exception

All boards work perfectly and stable. The MS-4144 is now the last of them...

Last edited by Aerion on 2020-05-16, 09:16. Edited 3 times in total.

Niemand ist nutzlos, er kann immer noch als schlechtes Beispiel dienen...

Reply 28 of 50, by feipoa

User metadata
Rank l33t++
Rank
l33t++

ROCK? I haven't seen that brand of EEPROM before.

Ultimate 486 Benchmark | Ultimate 686 Benchmark | Cyrix 5x86 Enhancements | 486 Overkill Graphics | Worlds Fastest 486

Reply 30 of 50, by Aerion

User metadata
Rank Newbie
Rank
Newbie

@feipoa:
You have the following wiring in your worksheet:

KBC
Pin 1 - Pin 37
Pin 27 - Pin 38
Pin 24 - Pin 39
Pin 28 - Pin 23

Is that right? These connections are missing on my board. Next week I will unsolder the KBC...

Niemand ist nutzlos, er kann immer noch als schlechtes Beispiel dienen...

Reply 31 of 50, by feipoa

User metadata
Rank l33t++
Rank
l33t++

I don't recall.

Did you update the BIOS? PS/2 needs to be enabled in the BIOS.

Ultimate 486 Benchmark | Ultimate 686 Benchmark | Cyrix 5x86 Enhancements | 486 Overkill Graphics | Worlds Fastest 486

Reply 32 of 50, by Aerion

User metadata
Rank Newbie
Rank
Newbie

Is enabled, AMI AF54S also supports PS/2. At the moment I am busy elsewhere. I will report later...

Niemand ist nutzlos, er kann immer noch als schlechtes Beispiel dienen...

Reply 33 of 50, by Aerion

User metadata
Rank Newbie
Rank
Newbie

AMIKEY-2 is soldered out, now I can update the schematic...

MS-4144_AMIKEY-2.jpg
Filename
MS-4144_AMIKEY-2.jpg
File size
1.65 MiB
Views
533 views
File license
Fair use/fair dealing exception

Finally the PRECI-DIP socket is soldered and the AMIKEY-2 has a new place:

MS-4144_AMIKEY-3.jpg
Filename
MS-4144_AMIKEY-3.jpg
File size
1.68 MiB
Views
504 views
File license
Fair use/fair dealing exception
MS-4144_AMIKEY-4.jpg
Filename
MS-4144_AMIKEY-4.jpg
File size
1.24 MiB
Views
504 views
File license
Fair use/fair dealing exception
MS-4144_AMIKEY-5.jpg
Filename
MS-4144_AMIKEY-5.jpg
File size
1.45 MiB
Views
504 views
File license
Fair use/fair dealing exception

R147 is now a 0R resistor, not jumper. Unfortunately the mouse didn't work - no clock and data on KBC. Looks like mouse disabled, but mouse is enabled in BIOS. Tried other KBC, the same result. Any suggestions are welcome...

Measured keyboard timing below:

KEYBOARD_KEY_A.jpg
Filename
KEYBOARD_KEY_A.jpg
File size
156.4 KiB
Views
495 views
File license
Fair use/fair dealing exception

Niemand ist nutzlos, er kann immer noch als schlechtes Beispiel dienen...

Reply 34 of 50, by Aerion

User metadata
Rank Newbie
Rank
Newbie

The next bad news: The board will not boot with the AWARD BIOS (any version). The only change was to upgrade the L2 cache to 1024 KB. No problems with the AMI BIOS.

Niemand ist nutzlos, er kann immer noch als schlechtes Beispiel dienen...

Reply 35 of 50, by feipoa

User metadata
Rank l33t++
Rank
l33t++

I checked under my KBC, and our PCB's are the same in terms of which components are soldered and not soldered on.

You tried AWARD BIOS Version WF54S?

You say the board "will not boot". What does that mean exactly? The screen stays blank when you power up, or the system hangs at or before POST?

Not sure what to advise. Put 256K back in for starters. Map out all traces to ensure they are connected properly. I've noticed that some boards need some pins lifted up on the KBC if the board isn't wired for PS/2 mice, but my MS-4144 didn't need this. Follow this diagram: Re: DTK PKM-0033S +5V pin overheating + PS/2 mouse implementation Not that the KBC pins are not in order on this HOLTEK diagram, which is particularly irritating.

Ultimate 486 Benchmark | Ultimate 686 Benchmark | Cyrix 5x86 Enhancements | 486 Overkill Graphics | Worlds Fastest 486

Reply 36 of 50, by Aerion

User metadata
Rank Newbie
Rank
Newbie
feipoa wrote on 2020-05-28, 10:32:

I checked under my KBC, and our PCB's are the same in terms of which components are soldered and not soldered on.

Good to hear that...

feipoa wrote on 2020-05-28, 10:32:

You tried AWARD BIOS Version WF54S?

Yes both - WF54S and your modified version

feipoa wrote on 2020-05-28, 10:32:

You say the board "will not boot". What does that mean exactly? The screen stays blank when you power up, or the system hangs at or before POST?

After power up a short beep is heard but the screen stays blank...

feipoa wrote on 2020-05-28, 10:32:

Not sure what to advise. Put 256K back in for starters. Map out all traces to ensure they are connected properly. I've noticed that some boards need some pins lifted up on the KBC if the board isn't wired for PS/2 mice, but my MS-4144 didn't need this. Follow this diagram: Re: DTK PKM-0033S +5V pin overheating + PS/2 mouse implementation Not that the KBC pins are not in order on this HOLTEK diagram, which is particularly irritating.

Downgrade to 256KB the result is same. The board will start only with AMI...

No mouse timing still on the KBC, but when I press a button, a low pulse is generated on the PIN39. I think the KBC was not initialized correctly.
Extract from the VT82C42 data sheet:

TEST0(1) is expected to connect to KBCLK no matter what mode the VT82C42 is in. TEST1(39) is expected to connect to KBDATA when in AT-mode, and is expected to connect to MSCLK when in PS/2 mode.

AMIKEY_PIN39.jpg
Filename
AMIKEY_PIN39.jpg
File size
152.87 KiB
Views
419 views
File license
Fair use/fair dealing exception

Is jumper JM1 on your board open or closed?

Niemand ist nutzlos, er kann immer noch als schlechtes Beispiel dienen...

Reply 37 of 50, by feipoa

User metadata
Rank l33t++
Rank
l33t++

There is no jumper header at JM1, just solder pads. The solder pads are open (not shorted).

I suggest following that Holtek diagram to ensure your KBC is wired properly. It is possible that your board wasn't wired for the PS/2 mouse, while my revision was. If your board was not wired for the PS/2 mouse, you may need to do some hacking like I did on my DTK PKM-0033

Ultimate 486 Benchmark | Ultimate 686 Benchmark | Cyrix 5x86 Enhancements | 486 Overkill Graphics | Worlds Fastest 486

Reply 38 of 50, by Aerion

User metadata
Rank Newbie
Rank
Newbie

My board has REV. 2.1, later revisions are not known to me. I think this was the last revision and AMI has PS/2 mouse support in the latest AF54S BIOS.

Here a mouse timing taken from ASUS PCI/I-486SP3G. Pin39 is clock and PIN28 is data. PIN21(RC) and PIN22(A20) is here wired. I'll check that later...

AMIKEY-2_MOUSE.jpg
Filename
AMIKEY-2_MOUSE.jpg
File size
194.67 KiB
Views
403 views
File license
Fair use/fair dealing exception

Thanks for your tips.

Niemand ist nutzlos, er kann immer noch als schlechtes Beispiel dienen...

Reply 39 of 50, by Aerion

User metadata
Rank Newbie
Rank
Newbie

@feipoa:
Good news - PS/2 mice works with your modified AWARD BIOS! I have testet AMIKEY-2 and VT82C42N. The AMI BIOS AF54S seems to have a bug... The last schematic update above in my thread.
Now I'm done and glad...

Niemand ist nutzlos, er kann immer noch als schlechtes Beispiel dienen...