VOGONS


First post, by Errius

User metadata
Rank l33t
Rank
l33t

I have an old computer with a little window for an infra-red sensor. There's nothing behind it, and never has been, even when the machine was new. I would like to get it functioning. The motherboard does NOT have an IrDA header. Were there dedicated IrDA expansion cards that added this functionality to computers that didn't have it? How did people do this?

Is this too much voodoo?

Reply 1 of 2, by Jo22

User metadata
Rank l33t++
Rank
l33t++

Well, years ago I bought a little irDA adaptor for USB.
I guess it was also possible to make own yourself using the RS232 and a some photo diodes/transistors or so.

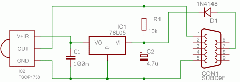
Wait, here's a tutorial..
http://www.meblin.karoo.net/IrDAbuild.htm

IrDAcircuit1.png
Filename
IrDAcircuit1.png
File size
1.98 KiB
Views
262 views
File license
Fair use/fair dealing exception

If I understand correctly, there's supposed to be a 5pin header on the motherboard for irDA.
Maybe it can also connected (with some modifications) to the serial port headers ?
From a software point of view, it connects to serial ports, anyway..

Edit: There's also a kit beeing sold.
The schematics and required parts are mentioned here: https://www.voti.nl/ir-2/index_1.html

sch-ir-2.gif
Filename
sch-ir-2.gif
File size
9.18 KiB
Views
248 views
File license
Fair use/fair dealing exception
sch-ir-2-laptop.gif
Filename
sch-ir-2-laptop.gif
File size
9.34 KiB
Views
248 views
File license
Fair use/fair dealing exception

Edit: Never mind. 🙁 Seems like that this one isn't irDA compatible yet.
Maybe in the future the LIRC software will support it.
http://www.lirc.org/irda.html

Edit: Another edit, sorry. Fixed some typos, too.

"Time, it seems, doesn't flow. For some it's fast, for some it's slow.
In what to one race is no time at all, another race can rise and fall..." - The Minstrel

//My video channel//

Reply 2 of 2, by Errius

User metadata
Rank l33t
Rank
l33t

A while ago I saw an old motherboard that had its serial ports mounted internally. It looked like a custom modification. I didn't understand the reason for it at the time, but it was probably for connection of front panel devices like this

Is this too much voodoo?