VOGONS


Identifying a CPU and a mobo

Topic actions

First post, by niki_iv

User metadata
Rank Newbie
Rank
Newbie

Guys, I am having problems identifying this CPU (see the picture) and I can't set the correct jumpers on the mobo and as a result the mobo just beeps (and not in the good two beeps way - the bad repeated continuous long beeps)

Any ideas...

Thanks
Niki

Attachments

  • 20200518_093057.jpg
    Filename
    20200518_093057.jpg
    File size
    1.7 MiB
    Views
    2272 views
    File license
    Fair use/fair dealing exception
  • 20200517_145705.jpg
    Filename
    20200517_145705.jpg
    File size
    1.52 MiB
    Views
    2272 views
    File license
    Fair use/fair dealing exception

Reply 1 of 33, by niki_iv

User metadata
Rank Newbie
Rank
Newbie

And as usual the moment I post something I notice something
The engraved number - 25253
https://www.cpu-world.com/info/AMD//images/L_25253.jpg
http://www.cpu-world.com/CPUs/80486/AMD-A8048 … DX4-100V8T.html
33x3 - 3v

This forum is one of the best rubber duckies I've ever seen

Reply 5 of 33, by evasive

User metadata
Rank Oldbie
Rank
Oldbie

Use one stick only and in the slot closest to the edge as I saw one for sale booted to bios with that config.
https://www.ebay.ca/itm/Motherboard-4SPI-ver- … 1kAAOSwGMZeuvDY

Reply 7 of 33, by niki_iv

User metadata
Rank Newbie
Rank
Newbie
evasive wrote on 2020-05-18, 11:54:

Use one stick only and in the slot closest to the edge as I saw one for sale booted to bios with that config.
https://www.ebay.ca/itm/Motherboard-4SPI-ver- … 1kAAOSwGMZeuvDY

Have you managed to find a manual with the jumper settings?

Reply 8 of 33, by mongaccio

User metadata
Rank Newbie
Rank
Newbie

I have a challenge for you!
I've searched for hours on the web but i can't identify my new 486 motherboard.
No name, only has 'ver:c' printed near the VLB slots on the pcb, Made in Taiwan, UMC chipset and Amibios.
On back has a pcb ID : 'TEAN TN1 94V-0' made the 13th week of '95
Has 3 vlb slots and 4 isa, 2 72pin and 4 30pin simm.
Had a barrel 3.6v nicd battery, but i have already changed it with coin cell holder+ diode

a.jpg
Filename
a.jpg
File size
421.97 KiB
Views
2165 views
File license
Public domain

My search so far:
I've browsed all the 486 pages on Stason.org. I've found some similar ones. like the https://stason.org/TULARC/pc/motherboards/B/B … MB-1425UIV.html

I've found an image on wikimedia commons https://commons.wikimedia.org/wiki/Fil ... d_view.jpg
It's 97% the same motherboard, except the voltage regulator near the socket is a 4 pin one, one jumper is missing and the one jumper near the cache is aligned differently. I can't recognize the Wiki motherboard tho. 'MB456 v1.2' it says, but i can't find it.

I really need to check those jumpers before firing this new mobo.

Reply 9 of 33, by niki_iv

User metadata
Rank Newbie
Rank
Newbie
mongaccio wrote on 2020-05-18, 18:37:
I have a challenge for you! I've searched for hours on the web but i can't identify my new 486 motherboard. No name, only has […]
Show full quote

I have a challenge for you!
I've searched for hours on the web but i can't identify my new 486 motherboard.
No name, only has 'ver:c' printed near the VLB slots on the pcb, Made in Taiwan, UMC chipset and Amibios.
On back has a pcb ID : 'TEAN TN1 94V-0' made the 13th week of '95
Has 3 vlb slots and 4 isa, 2 72pin and 4 30pin simm.
Had a barrel 3.6v nicd battery, but i have already changed it with coin cell holder+ diode
a.jpg

My search so far:
I've browsed all the 486 pages on Stason.org. I've found some similar ones. like the https://stason.org/TULARC/pc/motherboards/B/B … MB-1425UIV.html

I've found an image on wikimedia commons https://commons.wikimedia.org/wiki/Fil ... d_view.jpg
It's 97% the same motherboard, except the voltage regulator near the socket is a 4 pin one, one jumper is missing and the one jumper near the cache is aligned differently. I can't recognize the Wiki motherboard tho. 'MB456 v1.2' it says, but i can't find it.

I really need to check those jumpers before firing this new mobo.

This one?
https://www.infania.net/misc/moboarchive/Chai … /4slb/4slb1.gif

Reply 10 of 33, by evasive

User metadata
Rank Oldbie
Rank
Oldbie
niki_iv wrote on 2020-05-18, 16:27:
evasive wrote on 2020-05-18, 11:54:

Use one stick only and in the slot closest to the edge as I saw one for sale booted to bios with that config.
https://www.ebay.ca/itm/Motherboard-4SPI-ver- … 1kAAOSwGMZeuvDY

Have you managed to find a manual with the jumper settings?

Nope, which is surprising as the board is clearly marked and Azza is not very unknown. I am now browsing through the "unknowns" that I seem to have downloaded some odd 20 years ago from russian websites... So far, nothing. The Acer AP43 looks very similar in layout but it's not a match. Soyo seems to have marketed their 486SPI board as 4SPI as well, just to make things that bit more confusing.

Reply 11 of 33, by evasive

User metadata
Rank Oldbie
Rank
Oldbie
niki_iv wrote on 2020-05-18, 19:59:
mongaccio wrote on 2020-05-18, 18:37:
I have a challenge for you! I've searched for hours on the web but i can't identify my new 486 motherboard. No name, only has […]
Show full quote

I have a challenge for you!
I've searched for hours on the web but i can't identify my new 486 motherboard.
No name, only has 'ver:c' printed near the VLB slots on the pcb, Made in Taiwan, UMC chipset and Amibios.
On back has a pcb ID : 'TEAN TN1 94V-0' made the 13th week of '95
Has 3 vlb slots and 4 isa, 2 72pin and 4 30pin simm.
Had a barrel 3.6v nicd battery, but i have already changed it with coin cell holder+ diode
a.jpg

My search so far:
I've browsed all the 486 pages on Stason.org. I've found some similar ones. like the https://stason.org/TULARC/pc/motherboards/B/B … MB-1425UIV.html

I've found an image on wikimedia commons https://commons.wikimedia.org/wiki/Fil ... d_view.jpg
It's 97% the same motherboard, except the voltage regulator near the socket is a 4 pin one, one jumper is missing and the one jumper near the cache is aligned differently. I can't recognize the Wiki motherboard tho. 'MB456 v1.2' it says, but i can't find it.

I really need to check those jumpers before firing this new mobo.

This one?
https://www.infania.net/misc/moboarchive/Chai … /4slb/4slb1.gif

I am finding this somewhere: ADI F4DXL-UC4 (= MB456)
That would mean it is matching with this:
https://www.elhvb.com/mboards/adi/f4dxl-uc4d/index.html
photo.jpg
If it is, please make a backup of the bios. Please.

Reply 12 of 33, by mongaccio

User metadata
Rank Newbie
Rank
Newbie

Thanks Niki and Thank You Evasive, you have found that motherboard which seems to be 98% similar to mine. Maybe it's a clone or a variant?

I can check the jumpers right now, and see if the settings are matching or not:
Bus speed Jumper settings match the current processor(40 mhz), it is a really good sign.
Cache ram matches with the quantity and banks installed!
Cpu is set as a P24D (i guess it's ok?)
Cpu voltage is set as 3.45V which is not the 3.3v of the dx4 120(hmm, there is a jumper ready on one pin of jumper 23,if i close that one voltage should be 3.3v) I wonder if i can check the voltage with a multimeter before installing the cpu.

It seems that my Motherboard matches closely the specs of this f4dxl.

If you need it,Evasive, i have dumped my bios AMIBIOS 486dx isa bios
Here it is.

Filename
mysterybios(maybe mb456).zip
File size
60.05 KiB
Downloads
65 downloads
File license
Public domain

Ah yes, almost forgot, it's a 27c512 eeprom

Reply 13 of 33, by evasive

User metadata
Rank Oldbie
Rank
Oldbie

And the ID is:
40-P3-D-001256-00101111-072594-UMC498
001256= Lucky Star

Most likely it is marked "P BASE 486 GREEN PC VL" on the bottom.

And I have found something special I believe. From my Russian downloads. I we have a match I'll put it online directly.

Attachments

  • 211.gif
    Filename
    211.gif
    File size
    211.29 KiB
    Views
    2081 views
    File license
    Public domain

Reply 14 of 33, by mongaccio

User metadata
Rank Newbie
Rank
Newbie

Ok so i've tried starting up my mobo and it works! Unfortunately there aren't any marks or labels on the bottom. In the end it's very similar to the ones posted, but it's not the same. The bios is really cool tho,it's the first time i've seen that pseudo graphical interface 😀
I've changed the voltage jumpers in every possible combination,and checked with a multimeter. I can select 3 different voltages: 3.45, 4 and 5 volts.
There's no 3.3v available. I have that AM486-120 that requires 3.3v, but i'm powering it with 3.45...it works,but i wonder if it's tolerable or i risk frying that CPU.
I can change it with a dx2 66@ 5v.
Or i should try to investigate the jumpers, and how they interact with the SHARP power regulator (hoping, let's say, to find the 2 resistors nearby that feed the 'sense' pin, and then finding the correct value to obtain the 3.3v )

Reply 15 of 33, by evasive

User metadata
Rank Oldbie
Rank
Oldbie

If you could do that with frying any CPUs and get the bus speed + multiplier jumpers documented we can put this board into the Vogons TH99 revamped project. That would be very nice to say the least. I guess the last gif picture I posted wasn't a match either then?

Reply 16 of 33, by mongaccio

User metadata
Rank Newbie
Rank
Newbie
evasive wrote on 2020-05-23, 09:34:

If you could do that with frying any CPUs and get the bus speed + multiplier jumpers documented we can put this board into the Vogons TH99 revamped project. That would be very nice to say the least. I guess the last gif picture I posted wasn't a match either then?

Not much unfortunately.
As far as i can tell, bus frequency matches : after POST , it recognizes my cpu as am486 enhanced with 120mhz frequency. I'll need to tinker more with this jumper(and also the cache), maybe tomorrow.

Voltage mixes up your last picture and the F4DXL-UC4 manual : i don't physically have all the jumpers shown in your last gif, but i have the voltages correctly listed(3.45,4,5v). On the other hand, i have the correct jumper settings in F4DXL manual, but it lists3.3 3.45 and 5 v ( i get 4v instead of 3.3v in mine, if i close jumper 23)

Cpu selection is the big ??? .
I actually have settings for 'p24d 'from the f4dx manual,(when i bought this card i found those jumper settings already there) . I've changed em once with some setting i found on the net (TK8498F / F4DXL-UC4D) because they had settings for amd dx4, and the mobo booted anyway, without difference from the previous setting.

By the way, i've resolved the voltage issue: found the voltage regulator datasheet, had a test scheme and the formula to calculate resistance needed for a certain voltage

calcolo 1.jpg
Filename
calcolo 1.jpg
File size
23.44 KiB
Views
2009 views
File license
Public domain

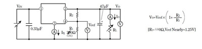
I've found R1 and R2 on the mobo,r1 is 680 ohm and r2 is 1200 ohm, VREF was 1.25. Used the formula to calculate r2 if i wanted 3,3v as Vo instead of 3.45. The correct value is 11oo ohm. So i added a 12k resistor in parallel to the 1.2k to correct the issue.(it's soldered on a jumper so i can flip it away if i need to get another voltage)

IMG_20200523_130229.jpg
Filename
IMG_20200523_130229.jpg
File size
104.35 KiB
Views
2009 views
File license
Public domain

Then i checked the output and...

IMG_20200523_134454.jpg
Filename
IMG_20200523_134454.jpg
File size
84.78 KiB
Views
2009 views
File license
Public domain

well, maybe it's a little bit too precise now! I've also checked all Vcc pins on the socket , they were all 3.3v and in the right spot.
i've also added a little heatsink, to the regulator, just to be sure it doesn't get too warm

Reply 17 of 33, by evasive

User metadata
Rank Oldbie
Rank
Oldbie

For ease of mind let's say it is indeed the Lucky Star baord that the bios seems to identify. Unless we find proof otherwise that is. I'd be calling this the LS-486U then because of the chipset 😀

Neat little trick with the extra resistor, indeed putting a small heatsink is a good idea, the regulator now needs to handle a larger voltage drop * current = more watts to dissipate-> more heat to get rid of.

Reply 18 of 33, by niki_iv

User metadata
Rank Newbie
Rank
Newbie

This AZZA 4SPI is driving me nuts. The board is very very well preserved and the fact I cannot make it boot is so frustrating
The other 486 I have is not in such a good condition and have some corrosion already spreading 🙁 .. but it boots

Reply 19 of 33, by evasive

User metadata
Rank Oldbie
Rank
Oldbie

I'll do another once-over for my older downloads. In theory there might be a matching manual or settings sheet in there. Not all is named, some are just named sis486 or ali486, no indication of VLB/PCI whatever. I guess I need to start categorizing them, put them online and see if someone has a matching board for them. Nice little mini-project.