First post, by adalbert
It would be really helpful if someone with actual engineering knowledge could take a look at this design 😀 I want to include some overvoltage protection.
I am trying to design something like pico PSU but for AT mainboards with better +5V line and negative rails. I already made a power supply for T3200SXC (DIY AT DC-DC power supply (replacement for Toshiba T3200SXC and others)), but it was non-standard and here I try to make generic AT power supply.
Pololu step down converters would be used for +12V,+5V and MC34063 + LM2662 for -12V,-5V.
Pololu converters claim to have internal overvoltage protection, but I would like to add something extra because I don't know about its reliability. If a reliable and reasonably cheap external overvoltage protection could be developed, then maybe this power supply could just use $7 buck converters like this one https://www.ebay.com/itm/DC-DC-15A-Buck-Adjus … le/113797338354 and be really inexpensive and safe. Pololu 15A buck converter costs $40.
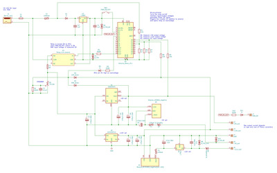
Here is the schematic of current version (i didn't build/test this one):
Besides buck converters, it uses a microcontroller, relay, TVS diodes and crowbar circuit.
Microcontroller has separate voltage stabilizer and diode for reverse input protection. If input voltage is OK it would engage the relay and power-up voltage converters. It measures positive voltages on analog pins and generates power good signal. If something goes bad, it disengages the relay. It also triggers crowbar circuit. Crowbar circuit is also separately triggered by zener diodes. It may blow the fuse or only clamp the voltage, depending on how quickly the relay is disengaged.
On negative rails there are only 125mA fuses and TVS diodes.
Does it make sense? Is the crowbar circuit wired properly? 😀
Repair videos: https://youtu.be/T6mXM1tA7pA

